HC-S3/HC-S5注塑机械手控制系统电控安装尺寸图-九州酷游(ku游)数控

九州酷游(ku游)

HC-S3/HC-S5注塑机械手控制系统电控安装尺寸图

[ 发布日期:2021-08-31 ] 来源: 【打印此文】 【关闭窗口】

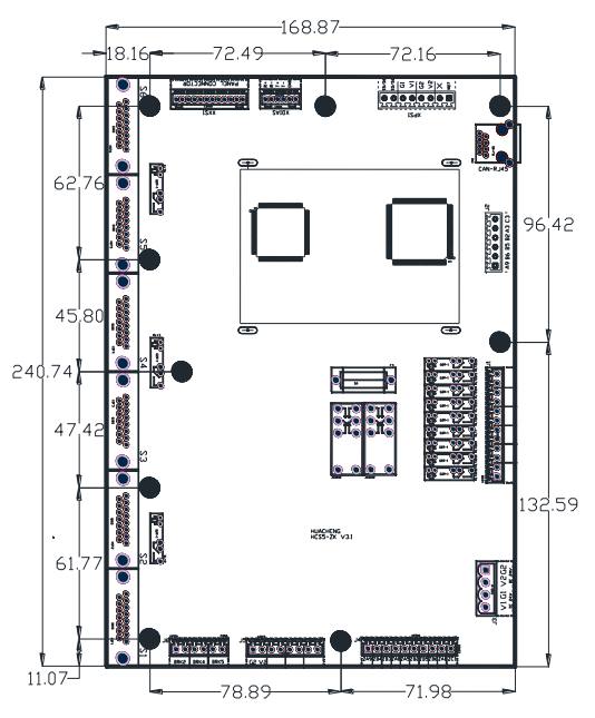
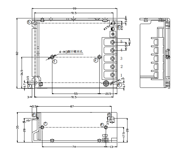
注塑机械手控制系统系列为HC-S3/HC-S5型号产品,安装时尺寸图如下。


HC-S5主控板安装尺寸图:



HC-S3主控板安装尺寸图:



I/O板安装尺寸图:



开关电源安装尺寸:


版权所有 © 深圳市九州酷游(ku游)工业控制股份有限公司 未经许可不得复制、转载或摘编,违者必究  版权声明

Copyright © Shenzhen Huacheng Industrial Control Co., Ltd. All Rights Reserved.

网站ICP备案号: 粤ICP备19106162号

技术支持:新新网络

咨询在线客服

咨询电话

13924666952

400-158-1606

官方客服微信