SSTS1C200低压伺服驱动器-直流伺服驱动系统-九州酷游(ku游)数控

九州酷游(ku游)

SSTS1C200低压伺服驱动器

SSTS1C200低压伺服驱动器

  • 全系标配Modbus RTU通信协议,并配有ServoTuner上位机软件;

  • 驱动器使用基于ARM Cortex M4F内核处理器,采用FOC矢量控制算法;

  • 伺服支持位置/速度/扭矩三闭环控制,电流环带宽最高可达3.2kHz,速度环带宽高于200HZ;

  • 支持20~80VDC宽范围的供电电压,特别适用于电池供电的移动场合;

  • 伺服系统使用环境温度为-40℃~45℃。

    SSTS1C系列低压伺服驱动器为九州酷游(ku游)数控推出的第二代产品,包括SSTS1C100、SSTS1C200、SSTS1C500三个产品型号,功率范围100-2000W范围,最大电流峰值140A,产品控制模式RS485、CANopen总线,支持脉冲扩展。广泛应用于AGV、电动工具、协作机器人等领域。


    SSTS1C200产品支持功率段750W。


    低压伺服驱动器选型规则

    产品特点


    (1)全系标配Modbus RTU通信协议,并配有ServoTuner上位机软件;

    (2)驱动器使用基于ARM Cortex M4F内核处理器,采用FOC矢量控制算法;

    (3)伺服支持位置/速度/扭矩三闭环控制,电流环带宽最高可达3.2kHz,速度环带宽高于200HZ;

    (4)支持20~80VDC宽范围的供电电压,特别适用于电池供电的移动场合;

    (5)伺服系统使用环境温度为-40℃~45℃。

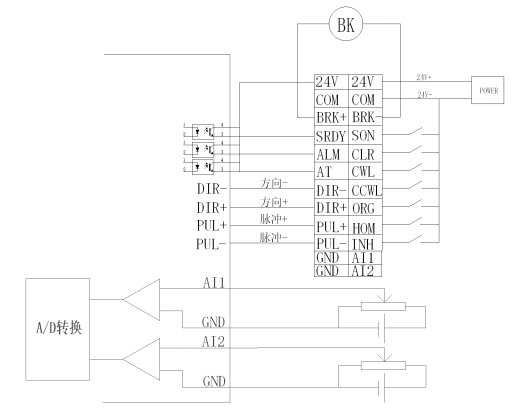
    低压伺服驱动器电气接线图:

    低压伺服驱动器尺寸图:

    注:电机尺寸根据实际使用功率大小,咨询业务索取!

    产品安全认证——CE认证报告


版权所有 © 深圳市九州酷游(ku游)工业控制股份有限公司 未经许可不得复制、转载或摘编,违者必究  版权声明

Copyright © Shenzhen Huacheng Industrial Control Co., Ltd. All Rights Reserved.

网站ICP备案号: 粤ICP备19106162号

技术支持:新新网络

咨询在线客服

咨询电话

13924666952

400-158-1606

官方客服微信